SAFE, Surpassing Quality!
Adhering to IEC 60534 Class V Leakage Rate
As Our Factory Standard
SAFE, Surpassing Quality!
Adhering to IEC 60534 Class V Leakage Rate
As Our Factory Standard
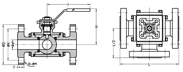
Three-way ball valves are primarily used to achieve flow path switching while cutting off or connecting media. The square three-way ball valve features a widened contact surface between the body seal ring and the ball, addressing the limited sealing contact area in standard three-way ball valves. Combined with the lack of positioning design in standard three-way valves, ball misalignment during opening/closing operations may cause incomplete closure and internal leakage. When cost is not the primary consideration, square three-way ball valves are among the optimal valve solutions for three-way process pipelines.
